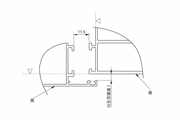
锁盒

  • 产品型号:CH25
  • 所属分类:传动锁闭器
  • 材质:锌铝合金
  • 表面处理:静电粉末喷涂
产品详情

INQUIRY

  • Home

    首页

  • Tel

    电话

  • QQ

  • Contact

    联系